Обратный клапан 19с24нж: Описание, характеристики и условия эксплуатации

Соответствуют требованиям Технического регламента «О безопасности машин и оборудования» ТР ТС 010/2011;
Технического регламента «О безопасности оборудования, работающего под избыточным давлением» ТР ТС 032/2013;
ТУ 3742−001−32 640 072−2018 «Клапаны обратные поворотные стальные DN 50−1200мм PN 10−63 кгс/см2;
ГОСТ 33 423–2015 «Арматура трубопроводная. Затворы и клапаны обратные. Общие технические условия», Руководства по безопасности «Рекомендации по устройству и безопасной эксплуатации технологических трубопроводов» и комплектов конструкторской документации, утвержденной в установленном порядке
Клапаны обратные 19с24нж
SKU: 700.954.29
р.
р.
Технического регламента «О безопасности машин и оборудования» ТР ТС 010/2011;
Технического регламента «О безопасности оборудования, работающего под избыточным давлением» ТР ТС 032/2013;
ТУ 3742−001−32 640 072−2018 «Клапаны обратные поворотные стальные DN 50−1200мм PN 10−63 кгс/см2;
ГОСТ 33 423–2015 «Арматура трубопроводная. Затворы и клапаны обратные. Общие технические условия», Руководства по безопасности «Рекомендации по устройству и безопасной эксплуатации технологических трубопроводов» и комплектов конструкторской документации, утвержденной в установленном порядке
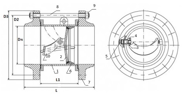
Обратный клапан 19с24нж — это промышленный запорный элемент, предназначенный для предотвращения обратного потока рабочей среды в трубопроводных системах. Этот клапан активно используется в системах водоснабжения, теплоснабжения, нефтегазовой и химической промышленности, обеспечивая надежность и безопасность эксплуатации оборудования.
Основные характеристики и особенности клапана 19с24нж:
Тип клапана:
  • Обратный клапан с автоматическим принципом действия. Предотвращает обратное движение рабочей среды, закрываясь под воздействием силы обратного потока.
Материал корпуса:
  • Углеродистая сталь (обозначение «с»). Обеспечивает прочность и устойчивость к механическим воздействиям, а также долгий срок службы при эксплуатации в агрессивных и сложных условиях.
Материал уплотнительных элементов:
  • Нержавеющая сталь (обозначение «нж»). Дает высокую коррозионную стойкость и устойчивость к воздействию высоких температур, что делает клапан пригодным для работы с агрессивными средами и в условиях повышенного давления.
Принцип работы:
  • Клапан работает автоматически. При поступлении обратного потока среда давит на затвор, закрывая клапан, предотвращая тем самым обратное течение.
Конструкция:
  • Клапан имеет фланцевое соединение, что облегчает его установку и обслуживание. Фланцы обеспечивают надежную герметичность и простоту монтажа в трубопроводную систему.
Номинальное давление (PN):
  • До 16 бар. Это делает клапан пригодным для систем со средним и высоким рабочим давлением, как в тепловых, так и в химических установках.
Диаметр условного прохода (DN):
  • Диаметры могут варьироваться от 50 мм до 500 мм, что позволяет использовать клапан в разных масштабах трубопроводных систем.
Рабочая температура:
  • Клапан способен выдерживать температуры рабочей среды до +425°C, что делает его подходящим для использования в паровых системах, а также в высокотемпературных установках.
Рабочие среды:
  • Клапан может эксплуатироваться с различными средами, включая:
  • Вода (в том числе горячая и холодная).
  • Пар (перегретый и насыщенный).
  • Нефтепродукты (нефть, масла).
  • Природный газ и другие негорючие газы.
  • Нейтральные химические жидкости, которые не оказывают агрессивного воздействия на материалы клапана.

Заключение:
Обратный клапан 19с24нж — это надежный элемент трубопроводной системы, предназначенный для предотвращения обратного потока рабочей среды в промышленных и коммунальных сетях. Он отличается долговечностью, универсальностью и устойчивостью к высоким температурам и давлениям, что делает его незаменимым в таких отраслях, как теплоэнергетика, нефтегазовая промышленность, химия и водоснабжение.
Описание